|
Радио.
|
|
Радиосвязь – передача информации с помощью электромагнитных волн радиодиапазона.
Радиовещание – передача речи и музыки с помощью электромагнитных волн радиодиапазона.
Телевидение – передача изображения, речи и музыки с помощью электромагнитных волн радиодиапазона.
|
|
|
А. С. Попов повторил опыты Герца и в апреле 1895 г. создал первый приемник (грозоотметчик). "Генрих Герц" - первая в мире радиограмма. (Передавалась азбукой Морзе).
7 мая 1895 г. демонстрация прибора на заседании Русского физико-химического общества. Дальность — 250м; 1899 г. -— 20 км; 1901 г.—150 км. Попов впервые использовал когерер и приемную антенну.
Одновременно с Поповым над той же проблемой работал итальянский изобретатель Гульермо Маркони. Он усовершенствовал приемник, создал первую фирму, занявшуюся производством и продажей радиооборудования (Нобелевская премия по физике).
|
|
|
1 - антенна, 2 - когерер, 3 - электромагнитное реле, 4 - электрический звонок, 5 - источник тока.
Когерер - трубка с металлическими опилками (R очень большое). Когда волна улавливается антенной, напряжение увеличивается, между опилками проскакивают искорки, и они спаиваются. Сопротивление уменьшается, сила тока увеличивается. Включается реле, срабатывает звонок, молоточек звонка ударяет по когереру и происходит встряхивание опилок. Сопротивление когерера увеличивается, цепь звонка размыкается. Приемник вновь готов к работе.
|

|
|
Роль антенны и заземления:
увеличение чувствительности и дальности приема.
|
|
|
Диапазоны радиоволн
|
|
|
Наименование радиоволн
|
Диапазон частот, Гц
|
Диапазон длин волн
(в вакууме), м
|
Распространение
|
|
Сверхдлинные
Длинные
Средние
|
<3.104
3.104-3.105
3.105 - 3.106
|
>1000
10000 –1000
1000 – 100
|
Огибают земную поверхность.
|
|
Короткие
|
3.106 - 3.107
|
100 – 10
|
Отражаются от ионосферы и поверхности
|
|
Ультракороткие
|
Метровые
Дециметровые
Сантиметровые
Миллиметровые
|
3.107 - 3.108
3.108 - 3.109
3.109 - 3.1010
3.1010 - 3.1011
|
10 –1
1- 0,1
0,1 – 0,01
0,01 – 0,001
|
Проникают сквозь ионосферу
|
|
Принцип радиотелефонной связи
|
|
|
Структурная схема радиопередатчика и радиоприемника.
- Задающий генератор (генератор высокой частоты) вырабатывает гармонические колебания высокой частоты ВЧ (несущая частота более 100 тыс. Гц).
- Микрофон преобразует механические звуковые колебания в электрические той же частоты.
- Модулятор изменяет (модулирует) по частоте или амплитуде высокочастотные колебания с помощью электрических колебаний низкой частоты НЧ.
- Усилители высокой и низкой частоты УВЧ и УНЧ усиливают по мощности высокочастотные и звуковые (низкочастотные) электрические колебания.
|

|
- Передающая антенна излучает модулированные электромагнитные волны.
- Приемная антенна принимает электромагнитные волны. Электромагнитная волна, достигшая приемной антенны, индуцирует в ней переменный ток той же частоты, на которой работает передатчик.
- УВЧ.
- Детектор выделяет из модулированных высокочастотных колебаний низкочастотные колебания.
- УНЧ.
- Динамик преобразует электромагнитные колебания в механические звуковые колебания.
|

|
|
Амплитудная модуляция
Изменение амплитуды колебаний высокой (несущей) частоты колебаниями низкой (звуковой) частоты называется амплитудной модуляцией. Для получения амплитудно-модулированных электромагнитных колебаний в цепь транзисторного генератора последовательно с колебательным контуром включают катушку трансформатора.
|

|
|
На первичную обмотку трансформатора подается напряжение звуковой частоты. На вторичной обмотке трансформатора индуцируется ЭДС той же частоты и складывается с постоянным напряжением источника тока. Изменение напряжения между эмиттером и коллектором транзистора приводит к изменению звуковой частотой, амплитуды колебаний тока высокой частоты в колебательном контуре генератора. В результате амплитуда колебаний в контуре генератора будет изменяться в такт с изменением напряжения низкочастотного сигнала на транзисторе. При изменении амплитуды сигнала НЧ меняется глубина модуляций. Основной недостаток амплитудной модуляции в том, что амплитуда на разных участках волны разная, следовательно, разная энергия. Значит и качество воспроизведения в приемнике будет не очень высоким. Существуют другие виды модуляции (частотная, фазовая), в которой эти недостатки меньше. Частотная модуляция применяется на УКВ (FM).
|

|
|
Детектирование (демодуляция)
Детектирование осуществляется устройством, содержащим элемент с односторонней проводимостью: вакуумный или полупроводниковый диод — детектор.
|

|
|
Вольтамперная характеристика диода показывает, что ток в цепи течет преимущественно в одном направлении, являясь пульсирующим током. Этот ток сглаживается с помощью фильтра. Когда диод пропускает ток, то часть его проходит через нагрузку, а другая часть ответвляется на конденсатор. Если диод заперт, то конденсатор частично разряжается через нагрузку. Уменьшается пульсация тока. Через нагрузку течет ток звуковой частоты, форма колебаний воспроизводит форму низкочастотного сигнала.
|


|

|
|
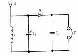
Радиоприемник
Детекторный радиоприемник состоит из колебательного контура, антенны, детектора (диода), конденсатора постоянной емкости, телефона. В контуре принятая радиоволна возбуждает модулированные колебания. Конденсатор переменной емкости настраивает контур в резонанс с принятой радиоволной. Модулированные колебания ВЧ поступают на детекторный каскад. После прохождения детектора составляющая тока ВЧ идет через конденсатор постоянной емкости, а составляющая тока НЧ идет на обмотки катушек телефона. Так как ,то для тока высокой частоты , а для тока низкой частоты . Таким образом, по катушкам телефона идет ток низкой частоты, вызывающий колебания мембраны с той же звуковой частотой.
|

|