| Электрический ток в вакууме. |
|
Для существования электрического тока в вакууме нужно искусственно ввести в это пространство свободные электроны (с помощью эмиссионных явлений).
|
|
|
1.Термоэлектронная эмиссия Процесс испускания электронов нагретыми металлами называется термоэлектронной эмиссией. Интенсивность термоэлектронной эмиссии зависит от площади катода, температуры нагрева металла и свойств вещества. Если кинетическая энергия электронов больше энергии связи, то происходит термоэлектронная эмиссия.
|

|
|
2. Фотоэлектронная эмиссия (фотоэлектрический эффект, фотоэффект). Процесс испускания электронов металлами под воздействием света. Открыт Г. Герцем, исследован А. Г. Столетовым. Объяснен А. Эйнштейном.
|
|
|
3. Автоэлектронная эмиссия. Процесс испускания электронов под воздействием электрического поля.
|
|
|
Диод (двухэлектродная лампа).
|
|
Изобретен Т. А. Эдисоном.
- Баллон — стекло или керамика,
- Вакуум: 10-6 -10-7 мм рт. ст.
- Катод — нить накала.
- Анод — круглый или овальный цилиндр.
Катод: в виде вертикального металлического цилиндра, покрытого слоем оксидов щелочноземельных металлов.
(Позволяет увеличить долговечность катода. У таких катодов ток насыщения практически недостижим.)
|
 
|
|
Вольтамперные характеристики диода
С увеличением напряжения все большее количество электронов получает энергию, достаточную для того, чтобы достичь анода; ток возрастает. При некотором значении напряжения все электроны достигают анода. Ток перестает возрастать - ток насыщения. Для увеличения тока насыщения необходимо увеличить количество электронов (увеличить температуру катода). В приборах с косвенным накалом ток насыщения практически не достигается.
|
 
|
|
Свойство диода
Основное свойство диода: пропускает ток в одном направлении.
Это свойство используется для выпрямления переменного тока. Ток существует, если на аноде — положительный потенциал, ток отсутствует, если на аноде—отрицательный потенциал
|

|
|
Вакуумный триод.
Изобретен в 1913 г. Л. де Форестом.
Регулируя потенциал между катодом и сеткой можно регулировать число электронов в анодной цепи. Главная характеристика - крутизна 
Применения:
- Безынерционный электронный ключ в генераторах электромагнитных волн высокой частоты (рабочая точка находится на криволинейном участке характеристика).
- Усилительный элемент (рабочая точка находится на прямолинейном участке).
Из многоэлектродных ламп наиболее часто применяются пентоды, октоды, гептоды.
Важное достоинство - в одном корпусе можно соединить две и более системы.
|

|
|
Свойства электронных пучков
- Отклоняются в электрическом и магнитном полях.
- Независимость распространения.
- Вызывают свечение веществ, нагрев металла, рентгеновское излучение.
|
|
|
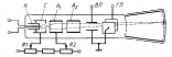
Электронно-лучевая трубка
Основной частью осциллографа и телевизора является электронно-лучевая трубка:
RI — регулирует интенсивность электронного пучка (яркость); R2 — фокусирует луч на экране;
К — катод (электронная пушка);
С — управляющий электрод;
А1 и А2 - аноды;
ВП, ГП- вертикальная и горизонтальная отклоняющие пластины.
|

|
|
В телевизионных трубках вместо отклоняющих пластин применяется электромагнитная система отклонения (катушки), работа которой основана на действии силы Лоренца
|
|